Metric Size Chart of Thin Section Angular Contact Ball Bearing
- Metric Size Chart of Thin Section Angular Contact Ball BearingA-type angular contact ball bearing is different from C-type as A-type bearing has enough radial clearance to form enough contact angle to bear axial load. Because of the one-way load capac…
admin@hyzcgroup.com
+86-379-63086182
- Product Description
Metric Size Chart of Thin Section Angular Contact Ball BearingA-type angular contact ball bearing is different from C-type as A-type bearing has enough radial clearance to form enough contact angle to bear axial load. Because of the one-way load capacity, the bearing needs to be mounted symmetrically with other bearings in pairs to set and ensure the contact angle while minimizing its axial movement when subjected to alternating axial loads.

| 8mm series A type angular contact ball bearing | |||||||
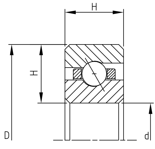
| Model | Main dimensions(mm) | Basic Rated Load(KN) | |||||
| d | D | h | Radial static | Radial dynamic | Axial static | Axial dynamic | |
| HA2508 | 25 | 41 | 8 | 3.65 | 2.67 | 10.52 | 5.50 |
| HA5008 | 50 | 66 | 8 | 6.43 | 3.60 | 18.56 | 8.03 |
| HA6008 | 60 | 76 | 8 | 7.71 | 4.00 | 22.28 | 9.07 |
| HA7008 | 70 | 86 | 8 | 8.78 | 4.31 | 25.36 | 9.89 |
| HA8008 | 80 | 96 | 8 | 9.86 | 4.61 | 28.45 | 10.68 |
| HA9008 | 90 | 106 | 8 | 11.14 | 4.95 | 32.16 | 11.58 |
| HA10008 | 100 | 116 | 8 | 12.21 | 5.22 | 35.26 | 12.32 |
| HA11008 | 110 | 126 | 8 | 13.29 | 5.50 | 38.36 | 13.02 |
| HA12008 | 120 | 136 | 8 | 14.36 | 5.75 | 41.44 | 13.72 |
| HA13008 | 130 | 146 | 8 | 15.64 | 6.06 | 45.16 | 14.52 |
| HA14008 | 140 | 156 | 8 | 16.72 | 6.30 | 48.25 | 15.18 |
| HA15008 | 150 | 166 | 8 | 17.79 | 6.54 | 51.34 | 15.83 |
| HA16008 | 160 | 176 | 8 | 19.07 | 6.82 | 55.06 | 16.57 |
| HA17008 | 170 | 186 | 8 | 20.14 | 7.06 | 58.14 | 17.19 |
| HA18008 | 180 | 196 | 8 | 21.22 | 7.27 | 61.24 | 17.80 |
| HA19008 | 190 | 206 | 8 | 22.50 | 7.54 | 64.95 | 18.51 |
| HA20008 | 200 | 216 | 8 | 23.57 | 7.75 | 68.05 | 19.09 |
| HA25008 | 250 | 266 | 8 | 29.15 | 8.79 | 84.13 | 21.99 |
| HA30008 | 300 | 316 | 8 | 34.93 | 9.79 | 100.83 | 24.81 |
| HA32008 | 320 | 336 | 8 | 37.29 | 1.01 | 10.76 | 25.92 |
| HA34008 | 340 | 356 | 8 | 39.43 | 1.05 | 113.82 | 26.90 |
| HA36008 | 360 | 376 | 8 | 41.79 | 1.09 | 120.63 | 27.97 |
| 13mm series A type angular contact ball bearing | |||||||
| Model | Main dimensions(mm) | Basic Rated Load(KN) | |||||
| d | D | h | Radial static | Radial dynamic | Axial static | Axial dynamic | |
| HA2513 | 25 | 51 | 13 | 6.04 | 5.43 | 17.42 | 10.54 |
| HA5013 | 50 | 76 | 13 | 10.43 | 7.11 | 30.09 | 15.16 |
| HA6013 | 60 | 86 | 13 | 12.07 | 7.66 | 34.84 | 16.72 |
| HA7013 | 70 | 96 | 13 | 14.27 | 8.43 | 41.17 | 18.68 |
| HA8013 | 80 | 106 | 13 | 15.91 | 8.95 | 45.92 | 20.09 |
| HA9013 | 90 | 116 | 13 | 17.55 | 9.45 | 50.68 | 21.46 |
| HA10013 | 100 | 126 | 13 | 19.20 | 9.93 | 55.43 | 22.78 |
| HA11013 | 110 | 136 | 13 | 20.84 | 10.40 | 60.18 | 24.06 |
| HA12013 | 120 | 146 | 13 | 22.49 | 10.86 | 64.93 | 25.31 |
| HA13013 | 130 | 156 | 13 | 24.69 | 11.48 | 71.27 | 26.93 |
| HA14013 | 140 | 166 | 13 | 26.33 | 11.91 | 76.02 | 28.12 |
| HA15013 | 150 | 176 | 13 | 27.98 | 12.33 | 80.76 | 29.27 |
| HA16013 | 160 | 186 | 13 | 29.63 | 12.75 | 85.51 | 30.42 |
| HA17013 | 170 | 196 | 13 | 31.27 | 13.15 | 90.27 | 31.53 |
| HA18013 | 180 | 206 | 13 | 32.92 | 13.54 | 95.02 | 32.62 |
| HA19013 | 190 | 216 | 13 | 34.56 | 13.94 | 99.77 | 33.70 |
| HA20013 | 200 | 226 | 13 | 36.75 | 14.46 | 106.10 | 35.11 |
| HA25013 | 250 | 276 | 13 | 44.98 | 16.26 | 129.86 | 40.18 |
| HA30013 | 300 | 326 | 13 | 53.76 | 18.03 | 155.20 | 45.26 |
| HA32013 | 320 | 346 | 13 | 57.06 | 18.66 | 164.70 | 47.08 |
| HA34013 | 340 | 366 | 13 | 60.89 | 19.38 | 175.78 | 49.17 |
| HA36013 | 360 | 386 | 13 | 64.19 | 19.97 | 185.29 | 50.92 |
| 20mm series A type angular contact ball bearing | |||||||
| Model | Main dimensions(mm) | Basic Rated Load(KN) | |||||
| d | D | h | Radial static | Radial dynamic | Axial static | Axial dynamic | |
| HA2520 | 25 | 65 | 20 | 11.11 | 11.32 | 32.07 | 20.73 |
| HA5020 | 50 | 90 | 20 | 18.51 | 14.31 | 53.45 | 29.14 |
| HA6020 | 60 | 100 | 20 | 20.98 | 15.16 | 60.57 | 31.66 |
| HA7020 | 70 | 110 | 20 | 23.45 | 16.00 | 67.70 | 34.10 |
| HA8020 | 80 | 120 | 20 | 25.92 | 16.83 | 74.82 | 36.46 |
| HA9020 | 90 | 130 | 20 | 29.63 | 18.14 | 85.51 | 39.86 |
| HA10020 | 100 | 140 | 20 | 32.10 | 18.90 | 92.64 | 42.04 |
| HA11020 | 110 | 150 | 20 | 34.56 | 19.65 | 99.77 | 44.17 |
| HA12020 | 120 | 160 | 20 | 37.02 | 20.38 | 106.90 | 46.25 |
| HA13020 | 130 | 170 | 20 | 39.49 | 21.11 | 114.02 | 48.28 |
| HA14020 | 140 | 180 | 20 | 41.96 | 21.81 | 121.15 | 50.27 |
| HA15020 | 150 | 190 | 20 | 45.67 | 22.92 | 131.84 | 53.18 |
| HA16020 | 160 | 200 | 20 | 48.14 | 23.59 | 138.96 | 55.09 |
| HA17020 | 170 | 210 | 20 | 50.43 | 24.25 | 146.09 | 56.95 |
| HA18020 | 180 | 220 | 20 | 53.08 | 24.89 | 153.21 | 58.79 |
| HA19020 | 190 | 230 | 20 | 55.55 | 25.53 | 160.34 | 60.59 |
| HA20020 | 200 | 240 | 20 | 59.24 | 26.52 | 171.03 | 63.26 |
| HA25020 | 250 | 290 | 20 | 72.82 | 29.80 | 210.23 | 72.60 |
| HA30020 | 300 | 340 | 20 | 85.17 | 32.51 | 245.86 | 80.58 |
| HA32020 | 320 | 360 | 20 | 91.35 | 33.85 | 263.68 | 84.43 |
| HA34020 | 340 | 380 | 20 | 96.28 | 34.85 | 277.93 | 87.45 |
| HA36020 | 360 | 400 | 20 | 102.45 | 36.11 | 295.74 | 91.14 |
- Online Inquiry





