SX Kreuzrollenlager
- Kreuz-Zylinderrollenlager der SX-Serie (integrierter Innenring, geteilter Auenring, ultradnn)Zylinderrollenlager der SX-Serie mit gekreuzten Zylinderrollen und gleichem Lagerzapfen haben einen kleineren Querschnitt als die RB-Serie Die Sttzbasis ist f…
admin@hyzcgroup.com
+86-379-63086182
- Produkt beschreibung
Kreuz-Zylinderrollenlager der SX-Serie (integrierter Innenring, geteilter Außenring, ultradünn)
Zylinderrollenlager der SX-Serie mit gekreuzten Zylinderrollen und gleichem Lagerzapfen haben einen kleineren Querschnitt als die RB-Serie Die Stützbasis ist feststehend und für Anwendungen geeignet, bei denen sich der Innenring dreht.

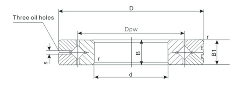
| SX Serie( Innerer Kreis Insgesamt, Außenring Split Serie, Ultradünn) | Einheit:mm | ||||||||
| Modell | Main Größe | Tragzahl( Radial) | Masse | ||||||
| Innenringdurchmesser | Außendurchmesser | Rollenteilung Kreisdurchmesser | Breite B B1 | Ölbohrung S | Faser | Cr | Cor | ||
| d | D | Dpw | kN | kN | kg | ||||
| SX011814 | 70 | 90 | 80 | 10 | 1.2 | 0.6 | 12 | 30 | 0.3 |
| SX011818 | 90 | 115 | 102 | 13 | 1.2 | 1 | 17 | 47 | 0.4 |
| SX011820 | 100 | 125 | 112 | 13 | 1.2 | 1 | 18 | 52 | 0.5 |
| SX011824 | 120 | 150 | 135 | 16 | 1.5 | 1 | 26 | 75 | 0.8 |
| SX011828 | 140 | 175 | 157 | 18 | 1.5 | 1.1 | 41 | 116 | 1.1 |
| SX011832 | 160 | 200 | 180 | 20 | 1.5 | 1.1 | 44 | 133 | 1.7 |
| SX011836 | 180 | 225 | 202 | 22 | 2 | 1.1 | 63 | 187 | 2.3 |
| SX011840 | 200 | 250 | 225 | 24 | 2 | 1.5 | 68 | 208 | 3.1 |
| SX011848 | 240 | 300 | 270 | 28 | 2 | 2 | 95 | 300 | 5.3 |
| SX011860 | 300 | 380 | 340 | 38 | 2.5 | 2.1 | 156 | 504 | 12 |
| SX011868 | 340 | 420 | 380 | 38 | 2.5 | 2.1 | 167 | 563 | 13.5 |
| SX011880 | 400 | 500 | 450 | 46 | 2.5 | 2.5 | 244 | 833 | 24 |
| SX0118/500 | 500 | 620 | 560 | 56 | 2.5 | 3 | 355 | 1244 | 44 |
- Online-Anfrage





