ZARF Kugelumlaufspindellager Speziallager
- Mit der Entwicklung der Werkzeugmaschinentechnologie sind hohe Przision und hoher Wirkungsgrad zu wichtigen technischen Merkmalen des gegenwrtigen Maschinenbaus geworden: Kugellagerlager fr Werkzeugmaschinen haben nach und nach das traditionelle Struk…
admin@hyzcgroup.com
+86-379-63086182
- Produkt beschreibung
Mit der Entwicklung der Werkzeugmaschinentechnologie sind hohe Präzision und hoher Wirkungsgrad zu wichtigen technischen Merkmalen des gegenwärtigen Maschinenbaus geworden: Kugellagerlager für Werkzeugmaschinen haben nach und nach das traditionelle Strukturmodell gepaarter Schrägkugeln aufgegeben und Nadelwalze / Schubzylinderwalze übernommen Die Struktur des Lagers.
Zylinderrollenlager mit Nadel- / Axialdruck übernehmen die kombinierte Struktur von Nadellagern mit verdicktem Außenring und zweireihigen Zylinderrollenlagern mit Axialdruck, die größere radiale / axiale Belastungen aufnehmen können und höhere radiale / axiale Belastungen aufweisen Steifigkeit: Gleichzeitig kann die Planlaufgenauigkeit dieser Reihe von Lagern bis zu 1 μm betragen, was insbesondere den Merkmalen hoher Präzision, hoher Tragfähigkeit und hoher Effizienz entspricht, die von der gegenwärtigen spanenden Industrie gefordert werden.
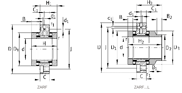
Produktmerkmale
Zylinderrollenlager mit Nadelrolle / Axialdruck umfassen einen verdickten Außenring, eine Nadelrollenhalteranordnung, einen Nadelrolleninnenring, zwei Zylinderrollenhalteranordnungen mit Axialdruck und zwei Inferenzwellenringe, die einem Satz von Nadelrollenlagern entsprechen In Kombination mit zwei Zylinderrollenlagersätzen fallen die Zentren der beiden Zylinderrollenlager und der Nadellager zusammen.
Nadel- / Axial-Zylinderrollenlager halten axialen, radialen und Kippmomenten in zwei Richtungen stand.
Nadel- / Axial-Zylinderrollenlager können je nach der unterschiedlichen Montageart des Außenrings in zwei Arten von Schraubenlagern und nicht-Schraubenlagern unterteilt werden.


| Modell | Masseg | Modell | Masseg | Größe | Tragzahl | Geschwindigkeit begrenzen | Befestigungsschraube | Anzugsdrehmoment Nm | Reibmoment Nm | Größe | Tragzahl | Geschwindigkeit begrenzen | Befestigungsschraube | Anzugsdrehmoment Nm | Reibmoment Nm | |||||||||||||||||||||||||||||||||
| d | D | H | H1 | H2 | H3 | C | C1 | D1 | D2 | D3 | B | B1 | B2 | r | r1 | d1 | J | Radial | Axial | Ölrpm | Fettrpm | Spezifikationen | Menge | B | B1 | B2 | r | r1 | d1 | J | Radial | Axial | Öl rpm | Fett rpm | Spezifikationen | Menge | ||||||||||||
| Dynamische Cr KN | Statische Cor KN | Dynamische Cr KN | Statische Cor KN | Dynamische cr KN | Statische cor KN | Dynamische cr KN | Statische cor KN | |||||||||||||||||||||||||||||||||||||||||
| ZARF 1560TN | 420 | ZARF 1560LTN | 450 | 15 | 60 | 40 | 26.0 | 53 | 39.0 | 14.0 | 8 | 35 | 24 | 34 | 7.5 | 20.5 | 11 | 0.3 | 0.6 | 3.2 | 46.0 | 13.0 | 17.5 | 24.9 | 53.0 | 8500 | 2200 | M6 | 6 | 10 | 0.35 | 7.5 | 20.5 | 11 | 0.3 | 0.6 | 3.2 | 46 | 13 | 17.5 | 24.9 | 53 | 8500 | 2200 | M6 | 6 | 10 | 0.35 |
| ZARF 1762TN | 490 | ZARF 1762LTN | 520 | 17 | 62 | 43 | 27.5 | 57 | 41.5 | 14.0 | 8 | 38 | 28 | 38 | 9.0 | 23.0 | 11 | 0.3 | 0.6 | 3.2 | 48.0 | 14.0 | 19.9 | 26.0 | 57.0 | 7800 | 2100 | M6 | 6 | 12 | 0.4 | 9 | 23 | 11 | 0.3 | 0.6 | 3.2 | 48 | 14 | 19.9 | 26 | 57 | 7800 | 2100 | M6 | 6 | 12 | 0.4 |
| ZARF 2068TN | 560 | ZARF 2068LTN | 610 | 20 | 68 | 46 | 29.0 | 60 | 43.0 | 14.0 | 8 | 42 | 30 | 40 | 10.0 | 24.0 | 11 | 0.3 | 0.6 | 3.2 | 53.0 | 14.1 | 20.6 | 27.4 | 77.0 | 7000 | 2000 | M6 | 8 | 18 | 0.5 | 10 | 24 | 11 | 0.3 | 0.6 | 3.2 | 53 | 14.1 | 20.6 | 27.4 | 77 | 7000 | 2000 | M6 | 8 | 18 | 0.5 |
| ZARF 2080TN | 1100 | ZARF 2080LTN | 1220 | 20 | 80 | 60 | 38.0 | 75 | 53.0 | 18.0 | 10 | 52 | 40 | 50 | 12.5 | 27.5 | 11 | 0.3 | 0.6 | 3.2 | 63.0 | 22.6 | 36.0 | 64.0 | 88.0 | 6000 | 1500 | M6 | 8 | 38 | 1.3 | 12.5 | 27.5 | 11 | 0.3 | 0.6 | 3.2 | 63 | 22.6 | 36 | 64 | 88 | 6000 | 1500 | M6 | 8 | 38 | 1.3 |
| ZARF 2575TN | 780 | ZARF 2575LTN | 840 | 25 | 75 | 50 | 33.0 | 65 | 48.0 | 18.0 | 10 | 47 | 36 | 45 | 10.0 | 25.0 | 11 | 0.3 | 0.6 | 3.2 | 58.0 | 24.8 | 39.8 | 30.5 | 93.5 | 6000 | 1900 | M6 | 8 | 25 | 0.55 | 10 | 25 | 11 | 0.3 | 0.6 | 3.2 | 58 | 24.8 | 39.8 | 30.5 | 93.5 | 6000 | 1900 | M6 | 8 | 25 | 0.55 |
| ZARF 2590TN | 1600 | ZARF 2590LTN | 1750 | 25 | 90 | 60 | 38.0 | 75 | 53.0 | 18.0 | 10 | 62 | 48 | 60 | 12.5 | 27.5 | 11 | 0.3 | 0.6 | 3.2 | 73.0 | 24.8 | 41.4 | 80.0 | 199.0 | 4900 | 1400 | M6 | 8 | 55 | 1.6 | 12.5 | 27.5 | 11 | 0.3 | 0.6 | 3.2 | 73 | 24.8 | 41.4 | 80 | 199 | 4900 | 1400 | M5 | 8 | 55 | 1.6 |
| ZARF 3080TN | 850 | ZARF 3080LTN | 900 | 30 | 80 | 50 | 33.0 | 65 | 48.0 | 18.0 | 10 | 52 | 40 | 50 | 10.0 | 25.0 | 11 | 0.3 | 0.6 | 3.2 | 63.0 | 24.3 | 41.0 | 33.9 | 110.0 | 5500 | 1800 | M6 | 12 | 32 | 0.65 | 10 | 25 | 11 | 0.3 | 0.6 | 3.2 | 63 | 24.3 | 41 | 33.9 | 110 | 5500 | 1800 | M6 | 12 | 32 | 0.65 |
| ZARF 30105TN | 1950 | ZARF 30105LTN | 2150 | 30 | 105 | 66 | 41.0 | 82 | 57.0 | 18.0 | 10 | 68 | 52 | 66 | 14.0 | 30.0 | 12 | 0.3 | 0.6 | 3.2 | 85.0 | 25.9 | 45.8 | 75.7 | 221.0 | 4400 | 1300 | M6 | 12 | 75 | 2.1 | 14 | 30 | 12 | 0.3 | 0.6 | 3.2 | 85 | 25.9 | 45.8 | 75.7 | 221 | 4400 | 1300 | M6 | 12 | 75 | 2.1 |
| ZARF 3590TN | 1120 | ZARF 3590LTN | 1250 | 35 | 90 | 54 | 35.0 | 70 | 51.0 | 18.0 | 10 | 60 | 45 | 58 | 11.0 | 27.0 | 12 | 0.3 | 0.6 | 3.2 | 73.0 | 26.0 | 47.0 | 45.9 | 105.4 | 4800 | 1700 | M6 | 12 | 42 | 0.9 | 11 | 27 | 12 | 0.3 | 0.6 | 3.2 | 73 | 26 | 47 | 45.9 | 105.4 | 4800 | 1700 | M6 | 12 | 42 | 0.9 |
| ZARF 35110TN | 1600 | ZARF 35110LTN | 1850 | 35 | 110 | 66 | 41.0 | 82 | 57.0 | 18.0 | 10 | 73 | 60 | 73 | 14.0 | 30.0 | 12 | 0.3 | 0.6 | 3.2 | 88.0 | 28.0 | 52.7 | 78.2 | 237.6 | 4000 | 1250 | M6 | 12 | 100 | 2.3 | 14 | 30 | 12 | 0.3 | 0.6 | 3.2 | 88 | 28 | 52.7 | 78.2 | 237.6 | 4000 | 1250 | M6 | 12 | 100 | 2.3 |
| ZARF 40100TN | 1350 | ZARF 40100LTN | 1450 | 40 | 100 | 54 | 34.0 | 70 | 51.0 | 18.0 | 10 | 65 | 50 | 63 | 11.0 | 27.0 | 12 | 0.3 | 0.6 | 3.2 | 80.0 | 30.4 | 58.6 | 51.7 | 180.1 | 4400 | 1600 | M8 | 8 | 55 | 1 | 11 | 27 | 12 | 0.3 | 0.6 | 3.2 | 80 | 30.4 | 58.6 | 51.7 | 180.1 | 4400 | 1600 | M8 | 8 | 55 | 1 |
| ZARF 40115TN | 2700 | ZARF 40115LTN | 3000 | 40 | 115 | 75 | 47.5 | 93 | 65.5 | 22.5 | 12.5 | 78 | 60 | 78 | 16.0 | 34.0 | 12 | 0.3 | 0.6 | 6.0 | 94.0 | 40.9 | 72.5 | 84.2 | 269.2 | 3700 | 1200 | M8 | 12 | 120 | 2.5 | 16 | 34 | 12 | 0.3 | 0.6 | 6 | 94 | 40.9 | 72.5 | 84.2 | 269.2 | 3700 | 1200 | M8 | 12 | 120 | 2.5 |
| ZARF 45105TN | 1700 | ZARF 45105LTN | 1850 | 45 | 105 | 60 | 40.0 | 75 | 55.0 | 22.5 | 12.5 | 70 | 56 | 68 | 11.5 | 26.5 | 12 | 0.3 | 0.6 | 6.0 | 85.0 | 38.0 | 74.0 | 81.0 | 177.0 | 4000 | 1500 | M8 | 8 | 65 | 1.2 | 11.5 | 26.5 | 12 | 0.3 | 0.6 | 6 | 85 | 38 | 74 | 81 | 177 | 4000 | 1500 | M8 | 8 | 65 | 1.2 |
| ZARF 45130TN | 3900 | ZARF 45130LTN | 4300 | 45 | 130 | 82 | 51.0 | 103 | 42.0 | 22.5 | 12.5 | 90 | 70 | 88 | 17.5 | 38.5 | 14 | 0.3 | 0.6 | 6.0 | 105.0 | 42.5 | 78.8 | 115.9 | 363.0 | 3300 | 1150 | M8 | 12 | 150 | 3.5 | 17.5 | 38.5 | 14 | 0.3 | 0.6 | 6 | 105 | 42.5 | 78.8 | 115.9 | 363 | 3300 | 1150 | M8 | 12 | 150 | 3.5 |
| ZARF 50115TN | 2100 | ZARF 50115LTN | 2450 | 50 | 115 | 60 | 40.0 | 78 | 58.0 | 22.5 | 12.5 | 78 | 60 | 78 | 11.5 | 29.5 | 12 | 0.3 | 0.6 | 6.0 | 94.0 | 42.6 | 78.8 | 44.2 | 158.4 | 3600 | 1200 | M8 | 12 | 85 | 2.2 | 11.5 | 29.5 | 12 | 0.3 | 0.6 | 6 | 94 | 42.6 | 78.8 | 44.2 | 158.4 | 3600 | 1200 | M8 | 12 | 85 | 2.2 |
| ZARF 50140TN | 4200 | ZARF 50140LTN | 4650 | 50 | 140 | 82 | 51.0 | 103 | 72.0 | 22.5 | 12.5 | 95 | 75 | 93 | 17.5 | 38.5 | 14 | 0.3 | 0.6 | 6.0 | 113.0 | 45.5 | 88.1 | 119.3 | 387.2 | 3100 | 1100 | M8 | 12 | 180 | 3.8 | 17.5 | 38.5 | 14 | 0.3 | 0.6 | 6 | 113 | 45.5 | 88.1 | 119.3 | 387.2 | 3100 | 1100 | MB | 12 | 180 | 3.8 |
| ZARF 55145TN | 4500 | ZARF 55145LTN | 5000 | 55 | 145 | 82 | 51.0 | 103 | 72.0 | 22.5 | 12.5 | 100 | 80 | 98 | 17.5 | 38.5 | 14 | 0.3 | 0.6 | 6.0 | 118.0 | 49.0 | 109.9 | 126.0 | 369.0 | 2900 | 1000 | M8 | 12 | 220 | 4 | 17.5 | 38.5 | 14 | 0.3 | 0.6 | 6 | 118 | 49 | 109.9 | 126 | 369 | 2900 | 1000 | MB | 12 | 220 | 4 |
| ZARF 60150TN | 4700 | ZARF 60150LTN | 5350 | 60 | 150 | 82 | 51.0 | 103 | 72.0 | 22.5 | 12.5 | 105 | 90 | 105 | 17.5 | 38.5 | 16 | 0.3 | 0.6 | 6.0 | 123.0 | 54.9 | 118.6 | 141.0 | 505.0 | 2700 | 950 | M8 | 12 | 250 | 4.2 | 17.5 | 38.5 | 16 | 0.3 | 0.6 | 6 | 123 | 54.9 | 118.6 | 141 | 505 | 2700 | 960 | MB | 12 | 250 | 4.2 |
| ZARF 65155TN | 5120 | ZARF 65155LTN | 5720 | 65 | 155 | 82 | 51.0 | 103 | 72.0 | 22.5 | 12.5 | 110 | 90 | 108 | 17.5 | 38.5 | 16 | 0.3 | 0.6 | 6.0 | 128.0 | 54.2 | 100.8 | 126.2 | 441.4 | 2600 | 900 | M10 | 12 | 270 | 4 | 17.5 | 38.5 | 16 | 0.3 | 0.6 | 6 | 128 | 54.2 | 100.8 | 126.2 | 441.4 | 2600 | 900 | M10 | 12 | 270 | 4 |
| ZARF 70160TN | 5200 | ZARF 70160LTN | 6000 | 70 | 160 | 82 | 51.0 | 103 | 72.0 | 22.5 | 12.5 | 115 | 100 | 115 | 17.5 | 38.5 | 16 | 0.3 | 0.6 | 6.0 | 133.0 | 69.6 | 143.5 | 143.0 | 532.0 | 2400 | 800 | M10 | 12 | 330 | 4.8 | 17.5 | 38.5 | 16 | 0.3 | 0.6 | 6 | 133 | 69.6 | 143.5 | 143 | 532 | 2400 | 800 | M10 | 12 | 330 | 4.8 |
| ZARF 75185TN | 9400 | ZARF 75185LTN | 10610 | 75 | 185 | 100 | 62.0 | 125 | 87.0 | 27.0 | 15.0 | 135 | 115 | 135 | 21.0 | 46.0 | 16 | 0.3 | 1.0 | 6.0 | 155.0 | 95.0 | 193.0 | 233.0 | 769.0 | 2100 | 700 | M12 | 12 | 580 | 8 | 21 | 46 | 16 | 0.3 | 1 | 6 | 155 | 95 | 193 | 233 | 769 | 2100 | 700 | M12 | 12 | 580 | 8 |
| ZARF 90210TN | 13700 | ZARF 90210LTN | 15100 | 90 | 210 | 110 | 69.5 | 135 | 97.5 | 32.0 | 17.5 | 160 | 130 | 158 | 22.5 | 47.5 | 16 | 0.3 | 1.0 | 8.0 | 180.0 | 101.0 | 225.6 | 320.0 | 1172.0 | 1800 | 700 | M12 | 16 | 960 | 10.5 | 22.5 | 47.5 | 16 | 0.3 | 1 | 8 | 180 | 101 | 225.6 | 320 | 1172 | 1800 | 700 | M12 | 16 | 960 | 10.5 |
- Online-Anfrage





