RAU cross roller bearing
- RAU series(the inner and outer rings are overall and ultra-thin ) This model is a compact type of model RB with extremely thin outer and inner rings. It is optimal for areas where the swiveling unit needs to be light and small. For example ,the rotati…
admin@hyzcgroup.com
+86-379-63086182
- Product Description
RAU series(the inner and outer rings are overall and ultra-thin ) This model is a compact type of model RB with extremely thin outer and inner rings. It is optimal for areas where the swiveling unit needs to be light and small. For example ,the rotational part of industrial robots or manipulator.
Bearing characteristics:
1. High precision: P4 precision, P2 precision
2. High rigidity: This series bearing have preload
3. High load:This series bearing can bear double-direction axial load, radial load and tilting moment
4. Small size: This series bearing can save space for machine tools
APPLICATION:
widely used on high precision rotary table, robot joints, rotating units, sophisticated medical equipments, and measurement instruments.
![TYZ@25~ZD2[)JXCG5CNO]JG.png TYZ@25~ZD2[)JXCG5CNO]JG.png](http://www.zt-yd.com/en/upload/201912/10/201912101358169223.png)
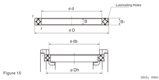
| RAU series(One-piece inner ring,two-piece outer ring,super slim) | Unit:mm | |||||||||
| Model | Main dimensions | Shoulder dimension | Basic load rating(radial direction) | Mass | ||||||
| Inner ring | Outer ring | Roller pitch diameter | Height | Chamfer | Cr | Cor | ||||
| d | D | Dpw | B B1 | rmin | ds | Dh | kN | kN | kg | |
| RAU5008 | 50 | 66 | 57 | 8 | 0.5 | 53.5 | 60.5 | 5.1 | 7.19 | 0.08 |
| RAU6008 | 60 | 76 | 67 | 8 | 0.5 | 63.5 | 70.5 | 5.68 | 8.68 | 0.09 |
| RAU7008 | 70 | 86 | 77 | 8 | 0.5 | 73.5 | 80.5 | 5.98 | 9.8 | 0.1 |
| RAU8008 | 80 | 96 | 87 | 8 | 0.5 | 83.5 | 90.5 | 6.37 | 11.3 | 0.11 |
| RAU9008 | 90 | 106 | 97 | 8 | 0.5 | 93.5 | 100.5 | 6.76 | 12.4 | 0.12 |
| RAU10008 | 100 | 116 | 107 | 8 | 0.5 | 103.5 | 110.5 | 7.15 | 13.9 | 0.14 |
| RAU11008 | 110 | 126 | 117 | 8 | 0.5 | 113.5 | 120.5 | 7.45 | 15 | 0.15 |
| RAU12008 | 120 | 136 | 127 | 8 | 0.5 | 123.5 | 130.5 | 7.84 | 16.5 | 0.17 |
| RAU13008 | 130 | 146 | 137 | 8 | 0.5 | 133.5 | 140.5 | 7.94 | 17.6 | 0.18 |
| RAU14008 | 140 | 156 | 147 | 8 | 0.5 | 143.5 | 150.5 | 8.33 | 19.1 | 0.19 |
| RAU15008 | 150 | 166 | 157 | 8 | 0.5 | 153.5 | 160.5 | 8.82 | 20.6 | 0.2 |
| RAU16013 | 160 | 186 | 172 | 13 | 0.8 | 165 | 179 | 23.3 | 44.9 | 0.59 |
| RAU17013 | 170 | 196 | 182 | 13 | 0.8 | 175 | 189 | 23.5 | 46.5 | 0.64 |
| RAU18013 | 180 | 206 | 192 | 13 | 0.8 | 185 | 199 | 24.5 | 49.8 | 0.68 |
| RAU19013 | 190 | 216 | 202 | 13 | 0.8 | 195 | 209 | 24.9 | 51.5 | 0.69 |
| RAU20013 | 200 | 226 | 212 | 13 | 0.8 | 205 | 219 | 25.8 | 54.7 | 0.71 |
- Online Inquiry





