SX cross roller bearing
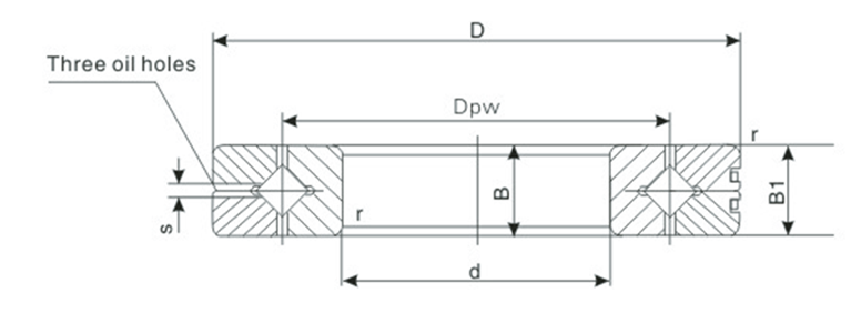
- SX series(outer ring division type with inner rotating, thin section),this type has smaller section than RB series. Due to the extremely thin structure, there is no mounting holes on the outer ring and the inner ring, so the model requires a presser f…
admin@hyzcgroup.com
+86-379-63086182
- Product Description
SX series(outer ring division type with inner rotating, thin section),this type has smaller section than RB series. Due to the extremely thin structure, there is no mounting holes on the outer ring and the inner ring, so the model requires a presser flange or housing.
Bearing characteristics:
1. High precision: P4 precision, P2 precision
2. High rigidity: This series bearing have preload
3. High load:This series bearing can bear double-direction axial load, radial load and tilting moment
4. Small size: This series bearing can save space for machine tools
APPLICATION:
widely used on high precision rotary table, robot joints, rotating units, sophisticated medical equipments, and measurement instruments.

| SX series(Inner ring integrity、outer ring division、thin section) | Unit:mm | ||||||||
| Model | Main dimensions | Basic load rating(radial direction) | Mass | ||||||
| Inner ring | Outer ring | Roller pitch diameter | Height B B1 | Oil holes S | Chamfer | Cr | Cor | ||
| d | D | Dpw | kN | kN | kg | ||||
| SX011814 | 70 | 90 | 80 | 10 | 1.2 | 0.6 | 12 | 30 | 0.3 |
| SX011818 | 90 | 115 | 102 | 13 | 1.2 | 1 | 17 | 47 | 0.4 |
| SX011820 | 100 | 125 | 112 | 13 | 1.2 | 1 | 18 | 52 | 0.5 |
| SX011824 | 120 | 150 | 135 | 16 | 1.5 | 1 | 26 | 75 | 0.8 |
| SX011828 | 140 | 175 | 157 | 18 | 1.5 | 1.1 | 41 | 116 | 1.1 |
| SX011832 | 160 | 200 | 180 | 20 | 1.5 | 1.1 | 44 | 133 | 1.7 |
| SX011836 | 180 | 225 | 202 | 22 | 2 | 1.1 | 63 | 187 | 2.3 |
| SX011840 | 200 | 250 | 225 | 24 | 2 | 1.5 | 68 | 208 | 3.1 |
| SX011848 | 240 | 300 | 270 | 28 | 2 | 2 | 95 | 300 | 5.3 |
| SX011860 | 300 | 380 | 340 | 38 | 2.5 | 2.1 | 156 | 504 | 12 |
| SX011868 | 340 | 420 | 380 | 38 | 2.5 | 2.1 | 167 | 563 | 13.5 |
| SX011880 | 400 | 500 | 450 | 46 | 2.5 | 2.5 | 244 | 833 | 24 |
| SX0118/500 | 500 | 620 | 560 | 56 | 2.5 | 3 | 355 | 1244 | 44 |
- Online Inquiry





