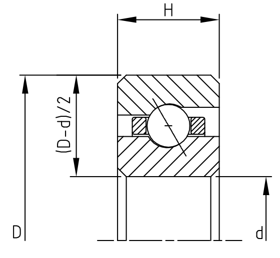
Inch Size Chart of Thin Section Angular Contact Ball Bearing
A-type angular contact ball bearing is different from C-type as A-type bearing has enough radial clearance to form enough contact angle to bear axial load. Because of the one-way load capacity, the bearing needs to be mounted symmetrically with other bearings in pairs to set and ensure the contact angle while minimizing its axial movement when subjected to alternating axial loads.

| HAAA series |
| Model | Main dimensions(mm) | Basic Rated Load(KN) |
| d | D | H | Radial static | Radial dynamic | Axial static | Axial dynamic |
| HAAA10 | 25.4 | 34.925 | 4.763 | 1.51 | 0.86 | 4.31 | 2.00 |
| HAAA15 | 38.1 | 47.625 | 4.763 | 2.14 | 1.06 | 6.14 | 2.49 |
| HAAA17 | 44.45 | 53.975 | 4.763 | 2.36 | 1.12 | 6.76 | 2.67 |
| HAA series |
| Model | Main dimensions(mm) | Basic Rated Load(KN) |
| d | D | H | Radial static | Radial dynamic | Axial static | Axial dynamic |
| HAA20 | 50.8 | 63.5 | 6.35 | 3.51 | 1.80 | 10.14 | 4.27 |
| HAA25 | 63.5 | 76.2 | 6.35 | 4.27 | 2.04 | 12.37 | 4.89 |
| HAA30 | 76.2 | 88.9 | 6.35 | 5.07 | 2.26 | 14.63 | 5.47 |
| HAA35 | 88.9 | 101.6 | 6.35 | 5.83 | 2.46 | 16.86 | 6.01 |
| HAA40 | 101.6 | 114.3 | 6.35 | 6.63 | 2.65 | 19.13 | 6.54 |
| HAA42 | 107.95 | 120.65 | 6.35 | 7.03 | 2.74 | 20.24 | 6.81 |
| HAA45 | 114.3 | 127 | 6.35 | 7.38 | 2.83 | 21.40 | 7.03 |
| HAA47 | 120.65 | 133.35 | 6.35 | 7.78 | 2.92 | 22.51 | 7.30 |
| HAA50 | 127 | 139.7 | 6.35 | 8.18 | 3.01 | 23.62 | 7.52 |
| HAA55 | 139.7 | 152.4 | 6.35 | 8.99 | 3.18 | 25.89 | 8.01 |
| HAA60 | 152.4 | 165.1 | 6.35 | 9.74 | 3.35 | 28.11 | 8.45 |
| HAA65 | 165.1 | 177.8 | 6.35 | 10.54 | 3.51 | 30.38 | 8.90 |
| HAA70 | 177.8 | 190.5 | 6.35 | 11.30 | 3.66 | 32.65 | 9.34 |
| HAA75 | 190.5 | 203.2 | 6.35 | 12.10 | 3.81 | 34.87 | 9.74 |
| HAA80 | 203.2 | 215.9 | 6.35 | 12.86 | 3.96 | 37.14 | 10.14 |
| HAA90 | 228.6 | 241.3 | 6.35 | 14.41 | 4.24 | 41.64 | 10.99 |
| HAA100 | 254 | 266.7 | 6.35 | 159.70 | 4.77 | 46.13 | 11.74 |
| HAA110 | 279.4 | 292.1 | 6.35 | 175.26 | 5.02 | 50.62 | 12.50 |
| HAB series |
| Model | Main dimensions(mm) | Basic Rated Load(KN) |
| d | D | H | Radial static | Radial dynamic | Axial static | Axial dynamic |
| HAB20 | 50.8 | 66.675 | 7.938 | 4.85 | 2.67 | 14.01 | 6.14 |
| HAB25 | 63.5 | 79.375 | 7.938 | 5.96 | 3.00 | 17.17 | 7.07 |
| HAB30 | 76.2 | 92.075 | 7.938 | 6.89 | 3.26 | 19.88 | 7.78 |
| HAB35 | 88.9 | 104.775 | 7.938 | 7.96 | 3.56 | 23.04 | 8.59 |
| HAB40 | 101.6 | 117.475 | 7.938 | 9.07 | 3.85 | 26.20 | 9.34 |
| HAB42 | 107.95 | 123.825 | 7.938 | 9.56 | 3.96 | 27.58 | 9.65 |
| HAB45 | 114.3 | 130.175 | 7.938 | 10.01 | 4.08 | 28.91 | 9.96 |
| HAB47 | 120.65 | 136.525 | 7.938 | 10.63 | 4.23 | 30.74 | 10.41 |
| HAB50 | 127 | 142.875 | 7.938 | 11.12 | 4.34 | 32.07 | 10.72 |
| HAB55 | 139.7 | 155.575 | 7.938 | 12.19 | 4.60 | 35.23 | 11.39 |
| HAB60 | 152.4 | 168.275 | 7.938 | 13.30 | 4.84 | 38.39 | 12.05 |
| HAB65 | 165.1 | 180.975 | 7.938 | 14.23 | 5.04 | 41.10 | 12.63 |
| HAB70 | 177.8 | 193.675 | 7.938 | 15.35 | 5.27 | 44.30 | 13.26 |
| HAB75 | 190.5 | 206.375 | 7.938 | 16.46 | 5.49 | 47.46 | 13.88 |
| HAB80 | 203.2 | 219.075 | 7.938 | 17.53 | 5.71 | 50.62 | 14.50 |
| HAB90 | 228.6 | 244.475 | 7.938 | 19.57 | 6.09 | 56.49 | 15.61 |
| HAB100 | 254 | 269.875 | 7.938 | 21.75 | 6.50 | 62.81 | 16.73 |
| HAB110 | 279.4 | 295.275 | 7.938 | 23.80 | 6.85 | 68.68 | 17.79 |
| HAB120 | 304.8 | 320.675 | 7.938 | 25.98 | 7.22 | 75.00 | 18.86 |
| HAB140 | 355.6 | 371.475 | 7.938 | 30.07 | 7.86 | 86.74 | 20.77 |
| HAB160 | 406.4 | 422.275 | 7.938 | 34.30 | 8.48 | 98.97 | 22.69 |
| HAB180 | 457.2 | 473.075 | 7.938 | 38.52 | 9.07 | 111.16 | 24.51 |
| HAB200 | 508 | 523.875 | 7.938 | 42.75 | 9.62 | 123.35 | 26.24 |
| HAC series |
| Model | Main dimensions(mm) | Basic Rated Load(KN) |
| d | D | H | Radial static | Radial dynamic | Axial static | Axial dynamic |
| HAC40 | 101.6 | 120.65 | 9.525 | 11.34 | 5.13 | 32.74 | 12.32 |
| HAC42 | 107.95 | 127 | 9.525 | 12.05 | 5.31 | 34.79 | 12.81 |
| HAC45 | 114.3 | 133.35 | 9.525 | 12.72 | 5.49 | 36.79 | 13.30 |
| HAC47 | 120.65 | 139.7 | 9.525 | 13.43 | 5.67 | 38.79 | 13.79 |
| HAC50 | 127 | 146.05 | 9.525 | 14.15 | 5.84 | 40.79 | 14.23 |
| HAC55 | 139.7 | 158.75 | 9.525 | 15.30 | 6.11 | 44.13 | 14.99 |
| HAC60 | 152.4 | 171.45 | 9.525 | 16.68 | 6.44 | 48.13 | 15.92 |
| HAC65 | 165.1 | 184.15 | 9.525 | 18.06 | 6.76 | 52.13 | 16.77 |
| HAC70 | 177.8 | 196.85 | 9.525 | 19.22 | 7.01 | 55.47 | 17.48 |
| HAC75 | 190.5 | 209.55 | 9.525 | 20.60 | 7.30 | 59.52 | 18.33 |
| HAC80 | 203.2 | 222.25 | 9.525 | 22.02 | 7.60 | 63.52 | 19.13 |
| HAC90 | 228.6 | 247.65 | 9.525 | 24.55 | 8.10 | 70.86 | 20.60 |
| HAC100 | 254 | 273.05 | 9.525 | 27.31 | 8.64 | 78.87 | 22.11 |
| HAC110 | 279.4 | 298.45 | 9.525 | 29.89 | 9.11 | 86.25 | 23.49 |
| HAC120 | 304.8 | 323.85 | 9.525 | 32.43 | 9.55 | 93.59 | 24.78 |
| HAC140 | 355.6 | 374.65 | 9.525 | 37.77 | 10.44 | 108.98 | 27.45 |
| HAC160 | 406.4 | 425.45 | 9.525 | 43.06 | 11.27 | 124.33 | 29.94 |
| HAC180 | 457.2 | 476.25 | 9.525 | 48.40 | 12.04 | 139.72 | 32.38 |
| HAC200 | 508 | 527.05 | 9.525 | 53.51 | 12.74 | 154.44 | 34.61 |
| HAC250 | 635 | 654.05 | 9.525 | 66.28 | 14.38 | 192.52 | 40.08 |
| HAC300 | 762 | 781.05 | 9.525 | 79.89 | 15.84 | 230.64 | 45.19 |
| HAD series |
| Model | Main dimensions(mm) | Basic Rated Load(KN) |
| d | D | H | Radial static | Radial dynamic | Axial static | Axial dynamic |
| HAD40 | 101.6 | 127 | 12.7 | 15.79 | 8.09 | 45.64 | 18.95 |
| HAD42 | 107.95 | 133.35 | 12.7 | 16.68 | 8.34 | 48.17 | 19.66 |
| HAD45 | 114.3 | 139.7 | 12.7 | 17.57 | 8.59 | 50.71 | 20.33 |
| HAD47 | 120.65 | 146.05 | 12.7 | 18.46 | 8.83 | 53.25 | 21.00 |
| HAD50 | 127 | 152.4 | 12.7 | 19.31 | 9.07 | 55.78 | 21.66 |
| HAD55 | 139.7 | 165.1 | 12.7 | 21.08 | 9.54 | 60.85 | 22.95 |
| HAD60 | 152.4 | 177.8 | 12.7 | 22.82 | 10.00 | 65.92 | 24.20 |
| HAD65 | 165.1 | 190.5 | 12.7 | 24.60 | 10.44 | 70.99 | 25.44 |
| HAD70 | 177.8 | 203.2 | 12.7 | 26.33 | 10.86 | 76.06 | 26.64 |
| HAD75 | 190.5 | 215.9 | 12.7 | 28.11 | 11.28 | 81.14 | 27.80 |
| HAD80 | 203.2 | 228.6 | 12.7 | 29.85 | 11.69 | 86.21 | 28.96 |
| HAD90 | 228.6 | 254 | 12.7 | 33.36 | 12.47 | 96.35 | 31.18 |
| HAD100 | 254 | 279.4 | 12.7 | 36.88 | 13.22 | 106.49 | 33.36 |
| HAD110 | 279.4 | 304.8 | 12.7 | 40.39 | 13.94 | 116.63 | 35.41 |
| HAD120 | 304.8 | 330.2 | 12.7 | 43.90 | 14.63 | 126.77 | 37.45 |
| HAD140 | 355.6 | 381 | 12.7 | 50.93 | 15.93 | 147.06 | 41.32 |
| HAD160 | 406.4 | 431.8 | 12.7 | 57.96 | 17.15 | 167.34 | 45.06 |
| HAD180 | 457.2 | 482.6 | 12.7 | 64.99 | 18.30 | 187.63 | 48.62 |
| HAD200 | 508 | 533.4 | 12.7 | 72.02 | 19.38 | 207.91 | 52.09 |
| HAD210 | 533.4 | 558.8 | 12.7 | 75.54 | 19.89 | 218.05 | 53.76 |
| HAD250 | 635 | 660.4 | 12.7 | 89.59 | 21.83 | 258.62 | 60.23 |
| HAD300 | 762 | 787.4 | 12.7 | 107.16 | 24.01 | 309.33 | 67.88 |
| HAF series |
| Model | Main dimensions(mm) | Basic Rated Load(KN) |
| d | D | H | Radial static | Radial dynamic | Axial static | Axial dynamic |
| HAF40 | 101.6 | 139.7 | 19.05 | 28.25 | 16.62 | 81.58 | 37.45 |
| HAF42 | 107.95 | 146.05 | 19.05 | 29.36 | 16.93 | 84.74 | 38.39 |
| HAF45 | 114.3 | 152.4 | 19.05 | 31.54 | 17.64 | 91.01 | 40.26 |
| HAF47 | 120.65 | 158.75 | 19.05 | 32.61 | 17.94 | 94.12 | 41.19 |
| HAF50 | 127 | 165.1 | 19.05 | 33.67 | 18.24 | 97.28 | 42.08 |
| HAF55 | 139.7 | 177.8 | 19.05 | 36.96 | 19.21 | 106.67 | 44.75 |
| HAF60 | 152.4 | 190.5 | 19.05 | 40.21 | 20.15 | 116.10 | 47.37 |
| HAF65 | 165.1 | 203.2 | 19.05 | 43.46 | 21.06 | 125.53 | 49.91 |
| HAF70 | 177.8 | 215.9 | 19.05 | 46.75 | 21.94 | 134.91 | 52.36 |
| HAF75 | 190.5 | 228.6 | 19.05 | 48.93 | 22.47 | 141.19 | 53.96 |
| HAF80 | 203.2 | 241.3 | 19.05 | 52.18 | 23.32 | 150.62 | 56.36 |
| HAF90 | 228.6 | 266.7 | 19.05 | 58.67 | 24.95 | 169.43 | 60.94 |
| HAF100 | 254 | 292.1 | 19.05 | 64.14 | 26.20 | 185.13 | 64.63 |
| HAF110 | 279.4 | 317.5 | 19.05 | 70.64 | 27.70 | 203.95 | 68.95 |
| HAF120 | 304.8 | 342.9 | 19.05 | 76.06 | 28.86 | 219.65 | 72.46 |
| HAF140 | 355.6 | 393.7 | 19.05 | 88.03 | 31.33 | 254.17 | 79.85 |
| HAF160 | 406.4 | 444.5 | 19.05 | 100.00 | 33.64 | 288.65 | 86.92 |
| HAF180 | 457.2 | 495.3 | 19.05 | 113.03 | 36.04 | 326.32 | 94.35 |
| HAF200 | 508 | 546.1 | 19.05 | 125.00 | 38.09 | 360.84 | 100.89 |
| HAF250 | 635 | 673.1 | 19.05 | 154.35 | 42.64 | 445.71 | 116.10 |
| HAF300 | 762 | 800.1 | 19.05 | 184.78 | 46.85 | 533.34 | 130.91 |
| HAF350 | 889 | 927.1 | 19.05 | 215.20 | 50.63 | 621.42 | 144.92 |
| HAF400 | 1016 | 1054.1 | 19.05 | 245.63 | 54.03 | 709.05 | 158.27 |
| HAG series |
| Model | Main dimensions(mm) | Basic Rated Load(KN) |
| d | D | H | Radial static | Radial dynamic | Axial static | Axial dynamic |
| HAG40 | 101.6 | 152.4 | 25.4 | 42.17 | 27.94 | 121.70 | 60.63 |
| HAG42 | 107.95 | 158.75 | 25.4 | 44.26 | 28.64 | 127.80 | 62.68 |
| HAG45 | 114.3 | 165.1 | 25.4 | 46.39 | 29.19 | 133.89 | 64.63 |
| HAG47 | 120.65 | 171.45 | 25.4 | 48.49 | 30.00 | 139.94 | 66.59 |
| HAG50 | 127 | 177.8 | 25.4 | 50.58 | 30.68 | 146.04 | 68.50 |
| HAG55 | 139.7 | 190.5 | 25.4 | 54.80 | 31.99 | 158.22 | 72.24 |
| HAG60 | 152.4 | 203.2 | 25.4 | 59.03 | 33.27 | 170.37 | 75.89 |
| HAG65 | 165.1 | 215.9 | 25.4 | 63.25 | 34.52 | 182.56 | 79.49 |
| HAG70 | 177.8 | 228.6 | 25.4 | 67.44 | 35.74 | 194.74 | 82.96 |
| HAG75 | 190.5 | 241.3 | 25.4 | 71.66 | 36.93 | 206.89 | 86.38 |
| HAG80 | 203.2 | 254 | 25.4 | 75.89 | 38.10 | 219.07 | 89.77 |
| HAG90 | 228.6 | 279.4 | 25.4 | 84.34 | 40.36 | 243.41 | 96.26 |
| HAG100 | 254 | 304.8 | 25.4 | 92.75 | 42.53 | 267.74 | 102.58 |
| HAG110 | 279.4 | 330.2 | 25.4 | 101.20 | 44.60 | 292.07 | 108.71 |
| HAG120 | 304.8 | 355.6 | 25.4 | 109.60 | 46.62 | 316.45 | 114.68 |
| HAG140 | 355.6 | 406.4 | 25.4 | 126.46 | 50.43 | 365.11 | 126.15 |
| HAG160 | 406.4 | 457.2 | 25.4 | 143.32 | 54.01 | 413.77 | 137.14 |
| HAG180 | 457.2 | 508 | 25.4 | 160.22 | 57.37 | 462.62 | 147.68 |
| HAG200 | 508 | 558.8 | 25.4 | 177.08 | 60.55 | 511.10 | 157.87 |
| HAG220 | 558.8 | 609.6 | 25.4 | 193.93 | 63.57 | 559.84 | 167.75 |
| HAG250 | 635 | 685.8 | 25.4 | 219.21 | 67.79 | 632.98 | 182.02 |
| HAG300 | 762 | 812.8 | 25.4 | 261.38 | 74.23 | 754.42 | 204.71 |
| HAG350 | 889 | 939.8 | 25.4 | 303.55 | 79.99 | 876.30 | 226.15 |
| HAG400 | 1016 | 1066.8 | 25.4 | 345.72 | 85.20 | 998.18 | 246.61 |