ZARF cuscinetto a vite a sfere cuscinetto speciale
- Con lo sviluppo della tecnologia delle attrezzature per macchine utensili, lalta precisione e lelevata efficienza sono diventate importanti caratteristiche tecniche dellattuale industria dei macchinari: i cuscinetti a ricircolo di sfere per macchine u…
admin@hyzcgroup.com
+86-379-63086182
- Dettagli del prodotto
Con lo sviluppo della tecnologia delle attrezzature per macchine utensili, l'alta precisione e l'elevata efficienza sono diventate importanti caratteristiche tecniche dell'attuale industria dei macchinari: i cuscinetti a ricircolo di sfere per macchine utensili hanno progressivamente abbandonato il modello di struttura tradizionale delle sfere di contatto angolari accoppiate e hanno adottato rulli a rullini / spinotti cilindrici. La struttura del cuscinetto.
I cuscinetti a rulli cilindrici a rullini / reggispinta adottano la struttura combinata di cuscinetti a rullini ad anello esterno ispessiti e cuscinetti a rulli cilindrici a due corone di spinta, che possono sopportare maggiori carichi radiali / assiali e avere un maggiore radiale / assiale Rigidità Allo stesso tempo, la precisione di disassamento assiale di questa serie di cuscinetti può raggiungere 1 μm, il che è particolarmente in linea con le caratteristiche di alta precisione, elevato carico e alta efficienza richiesti dall'attuale industria della lavorazione.
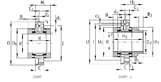
Caratteristiche del prodotto
I cuscinetti a rulli cilindrici a rullini / di spinta comprendono un anello esterno ispessito, un gruppo di ritenuta dei rulli degli aghi, un anello interno di un rullo di aghi, due gruppi di ritenzione dei rulli cilindrici di spinta e due anelli dell'albero di inferenza, equivalenti a una serie di cuscinetti a rullini Combinati con due serie di cuscinetti a rulli cilindrici di spinta, i centri dei due cuscinetti a rulli cilindrici di spinta coincidono.
I cuscinetti a rullini cilindrici a rullini / reggispinta possono sopportare momenti assiali, radiali e di ribaltamento in due direzioni.
I cuscinetti a rulli cilindrici a rullini / di spinta possono essere divisi in due tipi di bullone e non montati in base alla differenza nel metodo di montaggio dell'anello esterno.


| Diametro dell'asse | Codice | Massag | Codice | Massag | Dimensioni | Valutazione del carico di base | Velocità limite | Bulloni di fissaggio | Coppia di serraggio Nm | Coppia di attrito Nm | Dimensioni | Valutazione del carico di base | Velocità limite | Bulloni di fissaggio | Coppia di serraggio Nm | Coppia di attrito Nm | |||||||||||||||||||||||||||||||||
| d | D | H | H1 | H2 | H3 | C | C1 | D1 | D2 | D3 | B | B1 | B2 | r | r1 | d1 | J | radiale | assiale | olio rpm | Grasso rpm | Bulloni di fissaggio | unità | B | B1 | B2 | r | r1 | d1 | J | radiale | assiale | olio rpm | Grasso rpm | Bulloni di fissaggio | unità | |||||||||||||
| dinamico Cr KN | statico Cor KN | dinamico Cr KN | statico Cor KN | dinamico cr KN | statico cor KN | dinamico cr KN | statico cor KN | ||||||||||||||||||||||||||||||||||||||||||
| 15 | ZARF 1560TN | 420 | ZARF 1560LTN | 450 | 15 | 60 | 40 | 26.0 | 53 | 39.0 | 14.0 | 8 | 35 | 24 | 34 | 7.5 | 20.5 | 11 | 0.3 | 0.6 | 3.2 | 46.0 | 13.0 | 17.5 | 24.9 | 53.0 | 8500 | 2200 | M6 | 6 | 10 | 0.35 | 7.5 | 20.5 | 11 | 0.3 | 0.6 | 3.2 | 46 | 13 | 17.5 | 24.9 | 53 | 8500 | 2200 | M6 | 6 | 10 | 0.35 |
| 17 | ZARF 1762TN | 490 | ZARF 1762LTN | 520 | 17 | 62 | 43 | 27.5 | 57 | 41.5 | 14.0 | 8 | 38 | 28 | 38 | 9.0 | 23.0 | 11 | 0.3 | 0.6 | 3.2 | 48.0 | 14.0 | 19.9 | 26.0 | 57.0 | 7800 | 2100 | M6 | 6 | 12 | 0.4 | 9 | 23 | 11 | 0.3 | 0.6 | 3.2 | 48 | 14 | 19.9 | 26 | 57 | 7800 | 2100 | M6 | 6 | 12 | 0.4 |
| 20 | ZARF 2068TN | 560 | ZARF 2068LTN | 610 | 20 | 68 | 46 | 29.0 | 60 | 43.0 | 14.0 | 8 | 42 | 30 | 40 | 10.0 | 24.0 | 11 | 0.3 | 0.6 | 3.2 | 53.0 | 14.1 | 20.6 | 27.4 | 77.0 | 7000 | 2000 | M6 | 8 | 18 | 0.5 | 10 | 24 | 11 | 0.3 | 0.6 | 3.2 | 53 | 14.1 | 20.6 | 27.4 | 77 | 7000 | 2000 | M6 | 8 | 18 | 0.5 |
| ZARF 2080TN | 1100 | ZARF 2080LTN | 1220 | 20 | 80 | 60 | 38.0 | 75 | 53.0 | 18.0 | 10 | 52 | 40 | 50 | 12.5 | 27.5 | 11 | 0.3 | 0.6 | 3.2 | 63.0 | 22.6 | 36.0 | 64.0 | 88.0 | 6000 | 1500 | M6 | 8 | 38 | 1.3 | 12.5 | 27.5 | 11 | 0.3 | 0.6 | 3.2 | 63 | 22.6 | 36 | 64 | 88 | 6000 | 1500 | M6 | 8 | 38 | 1.3 | |
| 25 | ZARF 2575TN | 780 | ZARF 2575LTN | 840 | 25 | 75 | 50 | 33.0 | 65 | 48.0 | 18.0 | 10 | 47 | 36 | 45 | 10.0 | 25.0 | 11 | 0.3 | 0.6 | 3.2 | 58.0 | 24.8 | 39.8 | 30.5 | 93.5 | 6000 | 1900 | M6 | 8 | 25 | 0.55 | 10 | 25 | 11 | 0.3 | 0.6 | 3.2 | 58 | 24.8 | 39.8 | 30.5 | 93.5 | 6000 | 1900 | M6 | 8 | 25 | 0.55 |
| ZARF 2590TN | 1600 | ZARF 2590LTN | 1750 | 25 | 90 | 60 | 38.0 | 75 | 53.0 | 18.0 | 10 | 62 | 48 | 60 | 12.5 | 27.5 | 11 | 0.3 | 0.6 | 3.2 | 73.0 | 24.8 | 41.4 | 80.0 | 199.0 | 4900 | 1400 | M6 | 8 | 55 | 1.6 | 12.5 | 27.5 | 11 | 0.3 | 0.6 | 3.2 | 73 | 24.8 | 41.4 | 80 | 199 | 4900 | 1400 | M5 | 8 | 55 | 1.6 | |
| 30 | ZARF 3080TN | 850 | ZARF 3080LTN | 900 | 30 | 80 | 50 | 33.0 | 65 | 48.0 | 18.0 | 10 | 52 | 40 | 50 | 10.0 | 25.0 | 11 | 0.3 | 0.6 | 3.2 | 63.0 | 24.3 | 41.0 | 33.9 | 110.0 | 5500 | 1800 | M6 | 12 | 32 | 0.65 | 10 | 25 | 11 | 0.3 | 0.6 | 3.2 | 63 | 24.3 | 41 | 33.9 | 110 | 5500 | 1800 | M6 | 12 | 32 | 0.65 |
| ZARF 30105TN | 1950 | ZARF 30105LTN | 2150 | 30 | 105 | 66 | 41.0 | 82 | 57.0 | 18.0 | 10 | 68 | 52 | 66 | 14.0 | 30.0 | 12 | 0.3 | 0.6 | 3.2 | 85.0 | 25.9 | 45.8 | 75.7 | 221.0 | 4400 | 1300 | M6 | 12 | 75 | 2.1 | 14 | 30 | 12 | 0.3 | 0.6 | 3.2 | 85 | 25.9 | 45.8 | 75.7 | 221 | 4400 | 1300 | M6 | 12 | 75 | 2.1 | |
| 35 | ZARF 3590TN | 1120 | ZARF 3590LTN | 1250 | 35 | 90 | 54 | 35.0 | 70 | 51.0 | 18.0 | 10 | 60 | 45 | 58 | 11.0 | 27.0 | 12 | 0.3 | 0.6 | 3.2 | 73.0 | 26.0 | 47.0 | 45.9 | 105.4 | 4800 | 1700 | M6 | 12 | 42 | 0.9 | 11 | 27 | 12 | 0.3 | 0.6 | 3.2 | 73 | 26 | 47 | 45.9 | 105.4 | 4800 | 1700 | M6 | 12 | 42 | 0.9 |
| ZARF 35110TN | 1600 | ZARF 35110LTN | 1850 | 35 | 110 | 66 | 41.0 | 82 | 57.0 | 18.0 | 10 | 73 | 60 | 73 | 14.0 | 30.0 | 12 | 0.3 | 0.6 | 3.2 | 88.0 | 28.0 | 52.7 | 78.2 | 237.6 | 4000 | 1250 | M6 | 12 | 100 | 2.3 | 14 | 30 | 12 | 0.3 | 0.6 | 3.2 | 88 | 28 | 52.7 | 78.2 | 237.6 | 4000 | 1250 | M6 | 12 | 100 | 2.3 | |
| 40 | ZARF 40100TN | 1350 | ZARF 40100LTN | 1450 | 40 | 100 | 54 | 34.0 | 70 | 51.0 | 18.0 | 10 | 65 | 50 | 63 | 11.0 | 27.0 | 12 | 0.3 | 0.6 | 3.2 | 80.0 | 30.4 | 58.6 | 51.7 | 180.1 | 4400 | 1600 | M8 | 8 | 55 | 1 | 11 | 27 | 12 | 0.3 | 0.6 | 3.2 | 80 | 30.4 | 58.6 | 51.7 | 180.1 | 4400 | 1600 | M8 | 8 | 55 | 1 |
| ZARF 40115TN | 2700 | ZARF 40115LTN | 3000 | 40 | 115 | 75 | 47.5 | 93 | 65.5 | 22.5 | 12.5 | 78 | 60 | 78 | 16.0 | 34.0 | 12 | 0.3 | 0.6 | 6.0 | 94.0 | 40.9 | 72.5 | 84.2 | 269.2 | 3700 | 1200 | M8 | 12 | 120 | 2.5 | 16 | 34 | 12 | 0.3 | 0.6 | 6 | 94 | 40.9 | 72.5 | 84.2 | 269.2 | 3700 | 1200 | M8 | 12 | 120 | 2.5 | |
| 45 | ZARF 45105TN | 1700 | ZARF 45105LTN | 1850 | 45 | 105 | 60 | 40.0 | 75 | 55.0 | 22.5 | 12.5 | 70 | 56 | 68 | 11.5 | 26.5 | 12 | 0.3 | 0.6 | 6.0 | 85.0 | 38.0 | 74.0 | 81.0 | 177.0 | 4000 | 1500 | M8 | 8 | 65 | 1.2 | 11.5 | 26.5 | 12 | 0.3 | 0.6 | 6 | 85 | 38 | 74 | 81 | 177 | 4000 | 1500 | M8 | 8 | 65 | 1.2 |
| ZARF 45130TN | 3900 | ZARF 45130LTN | 4300 | 45 | 130 | 82 | 51.0 | 103 | 42.0 | 22.5 | 12.5 | 90 | 70 | 88 | 17.5 | 38.5 | 14 | 0.3 | 0.6 | 6.0 | 105.0 | 42.5 | 78.8 | 115.9 | 363.0 | 3300 | 1150 | M8 | 12 | 150 | 3.5 | 17.5 | 38.5 | 14 | 0.3 | 0.6 | 6 | 105 | 42.5 | 78.8 | 115.9 | 363 | 3300 | 1150 | M8 | 12 | 150 | 3.5 | |
| 50 | ZARF 50115TN | 2100 | ZARF 50115LTN | 2450 | 50 | 115 | 60 | 40.0 | 78 | 58.0 | 22.5 | 12.5 | 78 | 60 | 78 | 11.5 | 29.5 | 12 | 0.3 | 0.6 | 6.0 | 94.0 | 42.6 | 78.8 | 44.2 | 158.4 | 3600 | 1200 | M8 | 12 | 85 | 2.2 | 11.5 | 29.5 | 12 | 0.3 | 0.6 | 6 | 94 | 42.6 | 78.8 | 44.2 | 158.4 | 3600 | 1200 | M8 | 12 | 85 | 2.2 |
| ZARF 50140TN | 4200 | ZARF 50140LTN | 4650 | 50 | 140 | 82 | 51.0 | 103 | 72.0 | 22.5 | 12.5 | 95 | 75 | 93 | 17.5 | 38.5 | 14 | 0.3 | 0.6 | 6.0 | 113.0 | 45.5 | 88.1 | 119.3 | 387.2 | 3100 | 1100 | M8 | 12 | 180 | 3.8 | 17.5 | 38.5 | 14 | 0.3 | 0.6 | 6 | 113 | 45.5 | 88.1 | 119.3 | 387.2 | 3100 | 1100 | MB | 12 | 180 | 3.8 | |
| 55 | ZARF 55145TN | 4500 | ZARF 55145LTN | 5000 | 55 | 145 | 82 | 51.0 | 103 | 72.0 | 22.5 | 12.5 | 100 | 80 | 98 | 17.5 | 38.5 | 14 | 0.3 | 0.6 | 6.0 | 118.0 | 49.0 | 109.9 | 126.0 | 369.0 | 2900 | 1000 | M8 | 12 | 220 | 4 | 17.5 | 38.5 | 14 | 0.3 | 0.6 | 6 | 118 | 49 | 109.9 | 126 | 369 | 2900 | 1000 | MB | 12 | 220 | 4 |
| 60 | ZARF 60150TN | 4700 | ZARF 60150LTN | 5350 | 60 | 150 | 82 | 51.0 | 103 | 72.0 | 22.5 | 12.5 | 105 | 90 | 105 | 17.5 | 38.5 | 16 | 0.3 | 0.6 | 6.0 | 123.0 | 54.9 | 118.6 | 141.0 | 505.0 | 2700 | 950 | M8 | 12 | 250 | 4.2 | 17.5 | 38.5 | 16 | 0.3 | 0.6 | 6 | 123 | 54.9 | 118.6 | 141 | 505 | 2700 | 960 | MB | 12 | 250 | 4.2 |
| 65 | ZARF 65155TN | 5120 | ZARF 65155LTN | 5720 | 65 | 155 | 82 | 51.0 | 103 | 72.0 | 22.5 | 12.5 | 110 | 90 | 108 | 17.5 | 38.5 | 16 | 0.3 | 0.6 | 6.0 | 128.0 | 54.2 | 100.8 | 126.2 | 441.4 | 2600 | 900 | M10 | 12 | 270 | 4 | 17.5 | 38.5 | 16 | 0.3 | 0.6 | 6 | 128 | 54.2 | 100.8 | 126.2 | 441.4 | 2600 | 900 | M10 | 12 | 270 | 4 |
| 70 | ZARF 70160TN | 5200 | ZARF 70160LTN | 6000 | 70 | 160 | 82 | 51.0 | 103 | 72.0 | 22.5 | 12.5 | 115 | 100 | 115 | 17.5 | 38.5 | 16 | 0.3 | 0.6 | 6.0 | 133.0 | 69.6 | 143.5 | 143.0 | 532.0 | 2400 | 800 | M10 | 12 | 330 | 4.8 | 17.5 | 38.5 | 16 | 0.3 | 0.6 | 6 | 133 | 69.6 | 143.5 | 143 | 532 | 2400 | 800 | M10 | 12 | 330 | 4.8 |
| 75 | ZARF 75185TN | 9400 | ZARF 75185LTN | 10610 | 75 | 185 | 100 | 62.0 | 125 | 87.0 | 27.0 | 15.0 | 135 | 115 | 135 | 21.0 | 46.0 | 16 | 0.3 | 1.0 | 6.0 | 155.0 | 95.0 | 193.0 | 233.0 | 769.0 | 2100 | 700 | M12 | 12 | 580 | 8 | 21 | 46 | 16 | 0.3 | 1 | 6 | 155 | 95 | 193 | 233 | 769 | 2100 | 700 | M12 | 12 | 580 | 8 |
| 90 | ZARF 90210TN | 13700 | ZARF 90210LTN | 15100 | 90 | 210 | 110 | 69.5 | 135 | 97.5 | 32.0 | 17.5 | 160 | 130 | 158 | 22.5 | 47.5 | 16 | 0.3 | 1.0 | 8.0 | 180.0 | 101.0 | 225.6 | 320.0 | 1172.0 | 1800 | 700 | M12 | 16 | 960 | 10.5 | 22.5 | 47.5 | 16 | 0.3 | 1 | 8 | 180 | 101 | 225.6 | 320 | 1172 | 1800 | 700 | M12 | 16 | 960 | 10.5 |
- Online Inquiry





