ZKLDF ha spinto il cuscinetto a sfera angolare
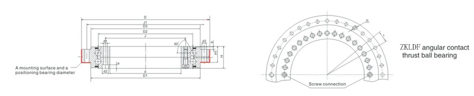
- I cuscinetti a sfere a contatto obliquo di spinta serie ZKLDF includono un anello esterno integrale, due anelli interni e due serie di componenti in acciaio a sfere e gabbia con un angolo di contatto di 60 gradi. Lanello esterno e lanello interno sono…
admin@hyzcgroup.com
+86-379-63086182
- Dettagli del prodotto
I cuscinetti a sfere a contatto obliquo di spinta serie ZKLDF includono un anello esterno integrale, due anelli interni e due serie di componenti in acciaio a sfere e gabbia con un angolo di contatto di 60 gradi. L'anello esterno e l'anello interno sono dotati di fori di montaggio per facilitare il montaggio e il fissaggio del cuscinetto attraverso i bulloni di collegamento. Il cuscinetto stesso è fissato da bulloni di accoppiamento per garantire installazione, trasporto e movimentazione.
I cuscinetti della tavola rotante della serie di sfere a contatto obliquo di spinta ZKLDF sono dotati di coperchi di tenuta su entrambi i lati, che possono impedire l'ingresso di sporcizia e impurità esterne e la perdita di grasso interno.
I cuscinetti della tavola rotante della serie di sfere a contatto obliquo a spinta ZKLDF sono lubrificati con grasso composto a base di bario e possono anche essere rilubrificati attraverso i fori dell'olio nell'anello esterno.
I cuscinetti girevoli ZKLDF della serie di sfere a contatto obliquo ad angolo adottano un angolo di contatto a 60 gradi a due vie e un design a doppia pallavolo, in modo da resistere a carichi radiali, carichi assiali a due vie e momenti di ribaltamento; la speciale struttura del design a gabbia in ottone conferisce maggiore resistenza 、 Riduzione della coppia del motore, pertanto questa serie di cuscinetti è particolarmente adatta per velocità ultra elevate, funzionamento a lungo termine e occasioni con elevati requisiti di rigidità e precisione.

| Codice del cuscinetto | confine dimensioni | Foro di fissaggio | viti di accoppiamento unità | Foro di sollevamento | Intonazione 1)t | Coppia di serraggio delle viti | Valutazione del carico di base | Velocità limite 4) | coppia di attrito | massa | |||||||||||||||
| assiale | |||||||||||||||||||||||||
| d | D | H | H1 | D1 | D2 | D3 | J | J1 | a | anello interno | anello esterno | dinamico | statico | ||||||||||||
| unità:mm | d1 | d2 | unità3) | d3 | unità3) | MA2) | Ca | Coa | lubrificazione a grasso | ||||||||||||||||
| mm | mm | G | unità | unità*t | N m | KN | r/min | Nm | ≈Kg | ||||||||||||||||
| ZKLDF100 | 100 | 185 | 38 | 25 | 160 | 136 | 158 | 112 | 170 | 5.4 | 5.6 | 10 | 16 | 5.6 | 15 | 2 | M8 | 3 | 18*20° | 8.5 | 67 | 251 | 2800 | 1.6 | 4.5 |
| ZKLDF120 | 120 | 210 | 40 | 26 | 184 | 159 | 181 | 135 | 195 | 6.2 | 7 | 11 | 22 | 7 | 21 | 2 | M8 | 3 | 24*15° | 14 | 72 | 315 | 2400 | 2 | 6 |
| ZKLDF150 | 150 | 240 | 40 | 26 | 214 | 188 | 211 | 165 | 225 | 6.2 | 7 | 11 | 34 | 7 | 33 | 2 | M8 | 3 | 36*10° | 14 | 76 | 365 | 2000 | 3 | 7.5 |
| ZKLDF200 | 200 | 300 | 45 | 30 | 274 | 243 | 271 | 215 | 285 | 6.2 | 7 | 11 | 46 | 7 | 45 | 2 | M12 | 3 | 48*7.5° | 14 | 112 | 550 | 1600 | 4.5 | 11 |
| ZKLDF260 | 260 | 385 | 55 | 36.5 | 345 | 313 | 348 | 280 | 365 | 8.2 | 9.3 | 15 | 34 | 9.3 | 33 | 2 | M12 | 3 | 36*10° | 34 | 155 | 920 | 1200 | 7.5 | 22 |
| ZKLDF325 | 325 | 450 | 60 | 40 | 415 | 380 | 413 | 342 | 430 | 8.2 | 9.3 | 15 | 34 | 9.3 | 33 | 2 | M12 | 3 | 36*10° | 34 | 165 | 110 | 1000 | 11 | 28 |
| ZKLDF395 | 395 | 525 | 65 | 42.5 | 486 | 450 | 488 | 415 | 505 | 8.2 | 9.3 | 15 | 46 | 9.3 | 45 | 2 | M12 | 3 | 48*7.5° | 34 | 214 | 1470 | 800 | 16 | 39 |
| ZKLDF460 | 460 | 600 | 70 | 46 | 560 | 520 | 563 | 482 | 580 | 8.2 | 9.3 | 15 | 46 | 9.3 | 45 | 2 | M12 | 3 | 48*7.5° | 34 | 255 | 1860 | 700 | 21 | 50 |
| ZKLDF580 | 580 | 750 | 90 | 60 | 702 | 656 | 700 | 610 | 720 | 11 | 11.4 | 18 | 45 | 11.4 | 42 | 2 | M12 | 3 | 48*7.5° | 68 | 395 | 3180 | 500 | 40 | 82 |
- Online Inquiry





