外齿型四点接触球转盘轴承(HVSA20系列)
- 精密转盘轴承依照滚动体结构,分为交叉滚子转盘轴承与四点接触球转盘轴承两个系列,依照齿轮形式,可分为不带齿圈、带内齿、带外齿三个类型,可以安装密封、配注油油杯、小范围调整游隙力矩大小、精度能达到P5/P4/P2等级,以适应各种类型的工况需求。我司支持外径20mm到外…
bearing@hyzcgroup.com
18837917076
- 产品详情
精密转盘轴承依照滚动体结构,分为交叉滚子转盘轴承与四点接触球转盘轴承两个系列,依照齿轮形式,可分为不带齿圈、带内齿、带外齿三个类型,可以安装密封、配注油油杯、小范围调整游隙力矩大小、精度能达到P5/P4/P2等级,以适应各种类型的工况需求。
我司支持外径20mm到外径2000mm范围内,各种类型高精度轴承非标定制化设计加工,常年与多家高等院校、机械机床公司、机械研究所、科研机构合作,进行重大设备的联合开发,协助客户试样与批量生产。
转盘轴承可以同时承受较大径向负荷、轴向负荷和倾覆力矩等综合载荷,集支承、旋转、传动、固定等多种功能与一体,且结构紧凑、安装简便、维护方便,通常用于重载低速的场合,例如起重机械、挖掘机、回转台、风力发电机、天文望远镜和坦克炮塔等装置,应用十分广泛。
外齿型四点接触球转盘轴承(HVSA20系列)

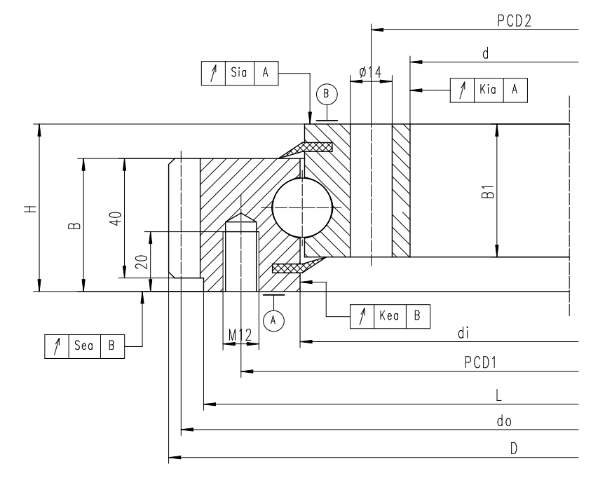
| 型号 | 基本尺寸 | 安装尺寸 | 基本额定负荷 | 游隙 | ||||||||||||||
| 外圈 | 内圈 | 轴向 | 径向 | |||||||||||||||
| 外径D | 内径d | 外圈高度B | 内圈高度B1 | 装配高H | 分度圆do | 模数M | 齿数Z | 孔中心距PCD1 | 安装孔 | 孔中心距PCD2 | 安装孔 | 动态Ca/KN | 静态Coa/KN | 动态Cr/KN | 静态Cor/KN | 径向 | 轴向 | |
| HVSA200414 | 503.3 | 342 | 44.5 | 44.5 | 56 | 495 | 5 | 99 | 455 | 20-M12深20 | 368 | 24-φ14 | 169 | 560 | 111 | 248 | 0~0.05 | 0~0.08 |
| HVSA202544 | 640.3 | 472 | 44.5 | 44.5 | 56 | 630 | 6 | 105 | 585 | 28-M12深20 | 498 | 32-φ14 | 188 | 740 | 123 | 325 | 0~0.05 | 0~0.08 |
| HVSA200644 | 742.3 | 572 | 44.5 | 44.5 | 56 | 732 | 6 | 122 | 685 | 32-M12深20 | 598 | 36-φ14 | 200 | 880 | 131 | 385 | 0~0.05 | 0~0.08 |
| HVSA200744 | 838.1 | 672 | 44.5 | 44.5 | 56 | 828 | 6 | 138 | 785 | 36-M12深20 | 698 | 40-φ14 | 211 | 1010 | 138 | 445 | 0~0.05 | 0~0.08 |
| HVSA200844 | 950.1 | 772 | 44.5 | 44.5 | 56 | 936 | 8 | 117 | 885 | 36-M12深20 | 798 | 40-φ14 | 222 | 1150 | 145 | 510 | 0~0.05 | 0~0.08 |
| HVSA200944 | 1046.1 | 872 | 44.5 | 44.5 | 56 | 1032 | 8 | 129 | 985 | 40-M12深20 | 898 | 44-φ14 | 231 | 1280 | 151 | 570 | 0~0.05 | 0~0.08 |
| HVSA201094 | 1198.1 | 1024 | 44.5 | 44.5 | 56 | 1184 | 8 | 148 | 1135 | 44-M12深20 | 1048 | 48-φ14 | 244 | 1490 | 160 | 660 | 0~0.05 | 0~0.08 |
- 在线询价





