不带齿型四点接触球转盘轴承(HVSU20系列)
- 精密转盘轴承依照滚动体结构,分为交叉滚子转盘轴承与四点接触球转盘轴承两个系列,依照齿轮形式,可分为不带齿圈、带内齿、带外齿三个类型,可以安装密封、配注油油杯、小范围调整游隙力矩大小、精度能达到P5/P4/P2等级,以适应各种类型的工况需求。我司支持外径20mm到外…
bearing@hyzcgroup.com
18837917076
- 产品详情
精密转盘轴承依照滚动体结构,分为交叉滚子转盘轴承与四点接触球转盘轴承两个系列,依照齿轮形式,可分为不带齿圈、带内齿、带外齿三个类型,可以安装密封、配注油油杯、小范围调整游隙力矩大小、精度能达到P5/P4/P2等级,以适应各种类型的工况需求。
我司支持外径20mm到外径2000mm范围内,各种类型高精度轴承非标定制化设计加工,常年与多家高等院校、机械机床公司、机械研究所、科研机构合作,进行重大设备的联合开发,协助客户试样与批量生产。
转盘轴承可以同时承受较大径向负荷、轴向负荷和倾覆力矩等综合载荷,集支承、旋转、传动、固定等多种功能与一体,且结构紧凑、安装简便、维护方便,通常用于重载低速的场合,例如起重机械、挖掘机、回转台、风力发电机、天文望远镜和坦克炮塔等装置,应用十分广泛。
不带齿型四点接触球转盘轴承(HVSU20系列)

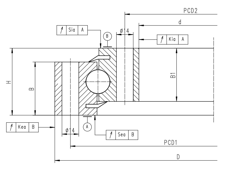
| 型号 | 基本尺寸 | 游隙 | 安装尺寸 | 基本额定负荷 | |||||||||||
| 外圈 | 内圈 | 轴向 | 径向 | ||||||||||||
| 外径D | 内径d | 外圈高度B | 内圈高度B1 | 装配高H | 径向 | 轴向 | 孔中心距PCD1 | 安装孔 | 孔中心距PCD2 | 安装孔 | 动态Ca/KN | 静态Coa/KN | 动态Cr/KN | 静态Cor/KN | |
| HVSU200414 | 486 | 342 | 44.5 | 44.5 | 56 | 0~0.05 | 0~0.08 | 460 | 24-φ14 | 367 | 24-φ14 | 169 | 560 | 111 | 248 |
| HVSU200544 | 616 | 472 | 44.5 | 44.5 | 56 | 0~0.05 | 0~0.08 | 590 | 32-φ14 | 498 | 32-φ14 | 188 | 740 | 123 | 325 |
| HVSU200644 | 716 | 572 | 44.5 | 44.5 | 56 | 0~0.05 | 0~0.08 | 690 | 36-φ14 | 598 | 36-φ14 | 200 | 880 | 131 | 385 |
| HVSU200744 | 816 | 672 | 44.5 | 44.5 | 56 | 0~0.05 | 0~0.08 | 790 | 40-φ14 | 698 | 40-φ14 | 211 | 1010 | 138 | 445 |
| HVSU200844 | 916 | 772 | 44.5 | 44.5 | 56 | 0~0.05 | 0~0.08 | 890 | 40-φ14 | 798 | 40-φ14 | 222 | 1150 | 145 | 510 |
| HVSU200944 | 1016 | 872 | 44.5 | 44.5 | 56 | 0~0.05 | 0~0.08 | 990 | 44-φ14 | 898 | 44-φ14 | 231 | 1280 | 151 | 570 |
| HVSU201094 | 1166 | 1022 | 44.5 | 44.5 | 56 | 0~0.05 | 0~0.08 | 1140 | 48-φ14 | 1048 | 48-φ14 | 244 | 1490 | 160 | 660 |
- 在线询价





