必威东盟官网下载地址
交叉滚子转盘轴承(HXU系列)
- 精密转盘轴承依照滚动体结构,分为交叉滚子转盘轴承与四点接触球转盘轴承两个系列,依照齿轮形式,可分为不带齿圈、带内齿、带外齿三个类型,可以安装密封、配注油油杯、小范围调整游隙力矩大小、精度能达到P5/P4/P2等级,以适应各种类型的工况需求。我司支持外径20mm到外…
bearing@hyzcgroup.com
18837917076
- 产品详情
精密转盘轴承依照滚动体结构,分为交叉滚子转盘轴承与四点接触球转盘轴承两个系列,依照齿轮形式,可分为不带齿圈、带内齿、带外齿三个类型,可以安装密封、配注油油杯、小范围调整游隙力矩大小、精度能达到P5/P4/P2等级,以适应各种类型的工况需求。
我司支持外径20mm到外径2000mm范围内,各种类型高精度轴承非标定制化设计加工,常年与多家高等院校、机械机床公司、机械研究所、科研机构合作,进行重大设备的联合开发,协助客户试样与批量生产。
转盘轴承可以同时承受较大径向负荷、轴向负荷和倾覆力矩等综合载荷,集支承、旋转、传动、固定等多种功能与一体,且结构紧凑、安装简便、维护方便,通常用于重载低速的场合,例如起重机械、挖掘机、回转台、风力发电机、天文望远镜和坦克炮塔等装置,应用十分广泛。
交叉滚子转盘轴承(HXU系列)

A

B

C

D

E

F

G

H
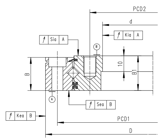
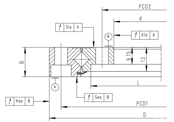
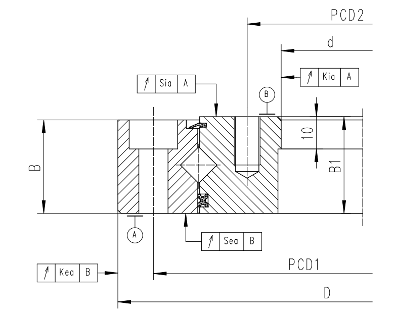
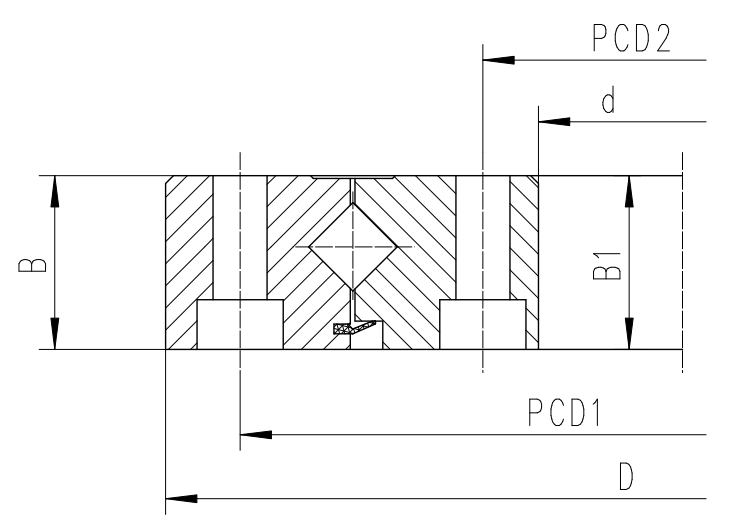
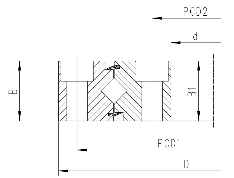
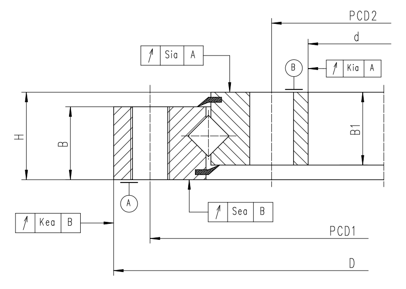
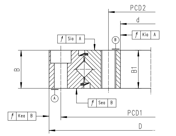
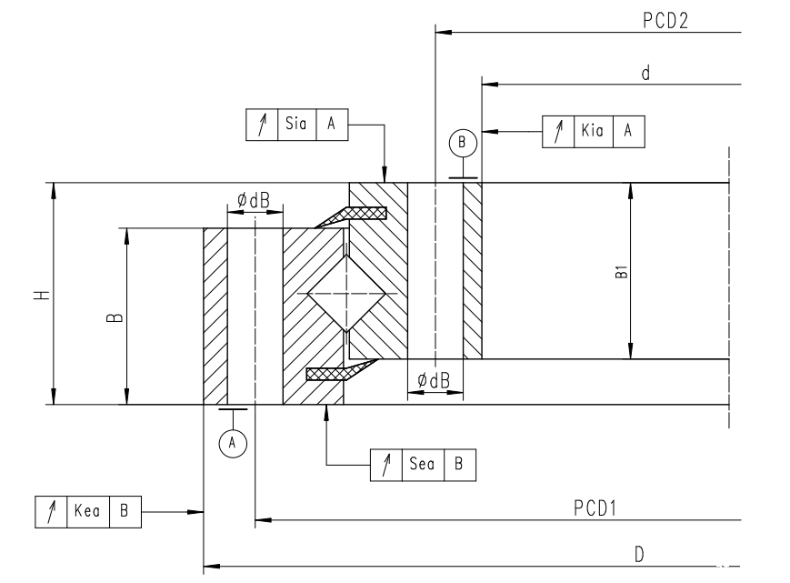
| 型号 | 基本尺寸 | 游隙(预载) | 对应图号 | 安装尺寸 | 基本额定负荷 | ||||||||||
| 外圈 | 内圈 | 轴向 | 径向 | ||||||||||||
| 外径D | 内径d | 外圈高度B | 内圈高度B1 | 装配高H | 孔中心距PCD1 | 安装孔 | 孔中心距PCD2 | 安装孔 | 动态Ca/KN | 静态Coa/KN | 动态Cr/KN | 静态Cor/KN | |||
| XU050077 | 112 | 40 | 21 | 22 | — | 0.005~0.008 | A | 97 | 6-φ6.6沉孔φ11深5.5 | 56 | 6-M8深9 | 22.4 | 29 | 14.3 | 14.2 |
| XU060094 | 140 | 57 | 25 | 26 | — | 0.005~0.008 | A | 120 | 6-φ9沉孔φ15深6 | 70 | 6-M8深9 | 32.5 | 37.5 | 20.7 | 18.4 |
| XU060111 | 145.79 | 76.2 | 15.87 | 13 | — | 0.005~0.02 | B | 133.1 | 8-φ6.9沉孔φ11深6.35 | 88.9 | 8-φ6.9 | 36 | 44.5 | 22.8 | 21.5 |
| XU080120 | 170 | 69 | 29 | 30 | — | 0.005~0.008 | C | 148 | 6-φ9沉孔φ15深9 | 90 | 6-M8深9 | 56 | 53 | 35.5 | 26 |
| XU080149 | 196.85 | 101.6 | 22.22 | 22.22 | — | 0.005~0.02 | D | 177.8 | 16-φ6.9沉孔φ11深6.35 | 115.8 | 16-φ6.9沉孔φ11深6.35 | 63 | 66 | 40 | 32.5 |
| XU120179 | 234 | 124.5 | 30 | 30 | 35 | 0~0.02 | H | 214 | 12-φ11 | 144.5 | 12-φ11 | 118 | 179 | 75 | 88 |
| XU120222 | 300 | 140 | 30 | 30 | 36 | — | F | 270 | 12-M16 | 170 | 12-φ18 | 133 | 275 | 135 | 173 |
| XU160260 | 329 | 191 | 41 | 41 | 46 | 0~0.02 | H | 305 | 20-φ14 | 215 | 20-φ14 | 212 | 350 | 135 | 173 |
| XU080264 | 311 | 215.9 | 25.4 | 25.4 | — | 0~0.02 | E | 295.3 | 12-φ8.7沉孔φ13.7深8.6 | 231.8 | 12-φ8.7沉孔φ13.7深8.6 | 85 | 117 | 54 | 57 |
| XU160405 | 474 | 336 | 41 | 41 | 46 | 0~0.02 | H | 450 | 30-φ14 | 360 | 30-φ14 | 270 | 550 | 172 | 270 |
| XU080430 | 480 | 380 | 26 | 26 | — | 0~0.02 | G | 462 | 20-φ9沉孔φ15深9 | 398 | 20-M10 | 110 | 280 | 70 | 138 |
| XU300515 | 646 | 384 | 79 | 79 | 86 | 0~0.03 | H | 598 | 18-φ26 | 432 | 18-φ26 | 720 | 1370 | 455 | 670 |
- 在线询价





