必威东盟官网下载地址
公制等截面薄壁角接触球轴承
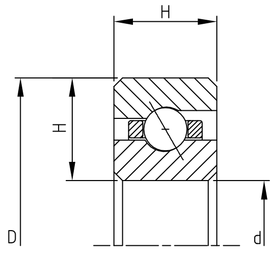
- 公制等截面薄壁角接触球轴承,A型角接触球轴承与C型轴承不同之处在于A型轴承有足够的径向游隙,能形成足够的接触角来承受轴向载荷。
bearing@hyzcgroup.com
18837917076
- 产品详情
公制等截面薄壁角接触球轴承
A型角接触球轴承与C型轴承不同之处在于A型轴承有足够的径向游隙,能形成足够的接触角来承受轴向载荷。由于具有单向载荷能力,该轴承需要与其它轴承对称配对安装,以设定并保证接触角,同时在受到交变的轴向载荷时使其轴向运动最小。

| 8mm系列 A型 角接触球轴承 | |||||||
| 轴承型号 | 主要尺寸(mm) | 基本额定载荷(KN) | |||||
| d | D | h | 径向静载荷 | 径向动载荷 | 轴向静载荷 | 轴向动载荷 | |
| HA2508 | 25 | 41 | 8 | 3.65 | 2.67 | 10.52 | 5.50 |
| HA5008 | 50 | 66 | 8 | 6.43 | 3.60 | 18.56 | 8.03 |
| HA6008 | 60 | 76 | 8 | 7.71 | 4.00 | 22.28 | 9.07 |
| HA7008 | 70 | 86 | 8 | 8.78 | 4.31 | 25.36 | 9.89 |
| HA8008 | 80 | 96 | 8 | 9.86 | 4.61 | 28.45 | 10.68 |
| HA9008 | 90 | 106 | 8 | 11.14 | 4.95 | 32.16 | 11.58 |
| HA10008 | 100 | 116 | 8 | 12.21 | 5.22 | 35.26 | 12.32 |
| HA11008 | 110 | 126 | 8 | 13.29 | 5.50 | 38.36 | 13.02 |
| HA12008 | 120 | 136 | 8 | 14.36 | 5.75 | 41.44 | 13.72 |
| HA13008 | 130 | 146 | 8 | 15.64 | 6.06 | 45.16 | 14.52 |
| HA14008 | 140 | 156 | 8 | 16.72 | 6.30 | 48.25 | 15.18 |
| HA15008 | 150 | 166 | 8 | 17.79 | 6.54 | 51.34 | 15.83 |
| HA16008 | 160 | 176 | 8 | 19.07 | 6.82 | 55.06 | 16.57 |
| HA17008 | 170 | 186 | 8 | 20.14 | 7.06 | 58.14 | 17.19 |
| HA18008 | 180 | 196 | 8 | 21.22 | 7.27 | 61.24 | 17.80 |
| HA19008 | 190 | 206 | 8 | 22.50 | 7.54 | 64.95 | 18.51 |
| HA20008 | 200 | 216 | 8 | 23.57 | 7.75 | 68.05 | 19.09 |
| HA25008 | 250 | 266 | 8 | 29.15 | 8.79 | 84.13 | 21.99 |
| HA30008 | 300 | 316 | 8 | 34.93 | 9.79 | 100.83 | 24.81 |
| HA32008 | 320 | 336 | 8 | 37.29 | 1.01 | 10.76 | 25.92 |
| HA34008 | 340 | 356 | 8 | 39.43 | 1.05 | 113.82 | 26.90 |
| HA36008 | 360 | 376 | 8 | 41.79 | 1.09 | 120.63 | 27.97 |
| 13mm系列 A型 角接触球轴承 | |||||||
| 轴承型号 | 主要尺寸(mm) | 基本额定载荷(KN) | |||||
| d | D | h | 径向静载荷 | 径向动载荷 | 轴向静载荷 | 轴向动载荷 | |
| HA2513 | 25 | 51 | 13 | 6.04 | 5.43 | 17.42 | 10.54 |
| HA5013 | 50 | 76 | 13 | 10.43 | 7.11 | 30.09 | 15.16 |
| HA6013 | 60 | 86 | 13 | 12.07 | 7.66 | 34.84 | 16.72 |
| HA7013 | 70 | 96 | 13 | 14.27 | 8.43 | 41.17 | 18.68 |
| HA8013 | 80 | 106 | 13 | 15.91 | 8.95 | 45.92 | 20.09 |
| HA9013 | 90 | 116 | 13 | 17.55 | 9.45 | 50.68 | 21.46 |
| HA10013 | 100 | 126 | 13 | 19.20 | 9.93 | 55.43 | 22.78 |
| HA11013 | 110 | 136 | 13 | 20.84 | 10.40 | 60.18 | 24.06 |
| HA12013 | 120 | 146 | 13 | 22.49 | 10.86 | 64.93 | 25.31 |
| HA13013 | 130 | 156 | 13 | 24.69 | 11.48 | 71.27 | 26.93 |
| HA14013 | 140 | 166 | 13 | 26.33 | 11.91 | 76.02 | 28.12 |
| HA15013 | 150 | 176 | 13 | 27.98 | 12.33 | 80.76 | 29.27 |
| HA16013 | 160 | 186 | 13 | 29.63 | 12.75 | 85.51 | 30.42 |
| HA17013 | 170 | 196 | 13 | 31.27 | 13.15 | 90.27 | 31.53 |
| HA18013 | 180 | 206 | 13 | 32.92 | 13.54 | 95.02 | 32.62 |
| HA19013 | 190 | 216 | 13 | 34.56 | 13.94 | 99.77 | 33.70 |
| HA20013 | 200 | 226 | 13 | 36.75 | 14.46 | 106.10 | 35.11 |
| HA25013 | 250 | 276 | 13 | 44.98 | 16.26 | 129.86 | 40.18 |
| HA30013 | 300 | 326 | 13 | 53.76 | 18.03 | 155.20 | 45.26 |
| HA32013 | 320 | 346 | 13 | 57.06 | 18.66 | 164.70 | 47.08 |
| HA34013 | 340 | 366 | 13 | 60.89 | 19.38 | 175.78 | 49.17 |
| HA36013 | 360 | 386 | 13 | 64.19 | 19.97 | 185.29 | 50.92 |
| 20mm系列 A型 角接触球轴承 | |||||||
| 轴承型号 | 主要尺寸(mm) | 基本额定载荷(KN) | |||||
| d | D | h | 径向静载荷 | 径向动载荷 | 轴向静载荷 | 轴向动载荷 | |
| HA2520 | 25 | 65 | 20 | 11.11 | 11.32 | 32.07 | 20.73 |
| HA5020 | 50 | 90 | 20 | 18.51 | 14.31 | 53.45 | 29.14 |
| HA6020 | 60 | 100 | 20 | 20.98 | 15.16 | 60.57 | 31.66 |
| HA7020 | 70 | 110 | 20 | 23.45 | 16.00 | 67.70 | 34.10 |
| HA8020 | 80 | 120 | 20 | 25.92 | 16.83 | 74.82 | 36.46 |
| HA9020 | 90 | 130 | 20 | 29.63 | 18.14 | 85.51 | 39.86 |
| HA10020 | 100 | 140 | 20 | 32.10 | 18.90 | 92.64 | 42.04 |
| HA11020 | 110 | 150 | 20 | 34.56 | 19.65 | 99.77 | 44.17 |
| HA12020 | 120 | 160 | 20 | 37.02 | 20.38 | 106.90 | 46.25 |
| HA13020 | 130 | 170 | 20 | 39.49 | 21.11 | 114.02 | 48.28 |
| HA14020 | 140 | 180 | 20 | 41.96 | 21.81 | 121.15 | 50.27 |
| HA15020 | 150 | 190 | 20 | 45.67 | 22.92 | 131.84 | 53.18 |
| HA16020 | 160 | 200 | 20 | 48.14 | 23.59 | 138.96 | 55.09 |
| HA17020 | 170 | 210 | 20 | 50.43 | 24.25 | 146.09 | 56.95 |
| HA18020 | 180 | 220 | 20 | 53.08 | 24.89 | 153.21 | 58.79 |
| HA19020 | 190 | 230 | 20 | 55.55 | 25.53 | 160.34 | 60.59 |
| HA20020 | 200 | 240 | 20 | 59.24 | 26.52 | 171.03 | 63.26 |
| HA25020 | 250 | 290 | 20 | 72.82 | 29.80 | 210.23 | 72.60 |
| HA30020 | 300 | 340 | 20 | 85.17 | 32.51 | 245.86 | 80.58 |
| HA32020 | 320 | 360 | 20 | 91.35 | 33.85 | 263.68 | 84.43 |
| HA34020 | 340 | 380 | 20 | 96.28 | 34.85 | 277.93 | 87.45 |
| HA36020 | 360 | 400 | 20 | 102.45 | 36.11 | 295.74 | 91.14 |
- 在线询价






